Skip to content Skip to sidebar Skip to footer

How To Find Equivalent Capacitance Of A Circuit - Determine the equivalent capacitance for each of the circuits of fig.

How To Find Equivalent Capacitance Of A Circuit - Determine the equivalent capacitance for each of the circuits of fig.. In capacitors in series, each capacitor has same charge flow from battery. The final step is to invert the values on both sides of the formula to find the equivalent capacitance: To find the equivalent total capacitance cp, we first note that the voltage across each capacitor is v, the same as that of the source, since they are connected directly to it through a conductor. To find the equivalent capacitance c p of the parallel network, we note that the total charge q stored by the network is the sum of all the individual charges: So, here are two equations, where everything is measured in.

1/c series = 1/c 1 + 1/c 2 + 1/c 3 +. A capacitive circuit is shown tp calculate the equivalent capacitance. A capacitor is a electrical device that stores electrical energy into the electric field, generally having two electrical leads saperated by dielectric or insulated medium, to store or supply energy to or. In capacitors in series, each capacitor has same charge flow from battery. Thus, the equivalent capacitance of the circuit is ceq= 36μf c e q = 36 μ f and the charges on capacitor 1, 2, 3, are q1 = 0.42×10−3μf q 1 = 0.42 × 10 − 3 μ f, q2 = q3 = 0.84×10−3c q 2 = q 3 = 0.84.

Solved: Find The Equivalent Capacitance The Circuit Shown ...
Solved: Find The Equivalent Capacitance The Circuit Shown ... from d2vlcm61l7u1fs.cloudfront.net
1/c series = 1/c 1 + 1/c 2 + 1/c 3 +. Two capacitors connected in series. Z ≈ 14.81 ∠ − π / 2. The equivalent capacitance of two capacitors connected in parallel is the sum of the individual capacitances. The total capacitance of the equivalent capacitor is by using the formula c = q / v, we can easily find the charge stored on the equivalent capacitor. Equivalent capacitance in a circuit. How to calculate the equivalent resistance using wye delta ? The charge on each of the individual capacitors in series is same as the charge on the equivalent capacitor.

Capacitors in parallel example no1.

Consider the capacitance values of the two capacitors c1 =0.2uf and c2 =0.3uf which are shown in above figure 4. Determine the equivalent capacitance for each of the circuits of fig. Z2= r2+ xc2 find the current from v = iz. Z 1 = r 1. Both losses can be accounted for by the following equivalent circuit diagram for a real capacitor. The sum of all the capacitance value in a parallel circuit equals to the total capacitance in the circuit. How to calculate the equivalent resistance using wye delta ? (conductors are equipotentials, and so the voltage across the capacitors is the same as that across the voltage source.) The equivalent capacitance of two capacitors connected in parallel is the sum of the individual capacitances. The capacitance of circuit formula is defined as the equivalent capacitance of all the capacitors connected in the relaxation circuit of edm to produce spark is calculated using capacitance = ((0.03/ frequency of cutting)^2)/ inductance.to calculate capacitance of circuit, you need frequency of cutting (f cut) and inductance (l).with our tool, you need to enter the respective value for. The equivalent capacitance of the 100.0 µf and 400.0 µf capacitors in series is 80.00 µf. A capacitor is a electrical device that stores electrical energy into the electric field, generally having two electrical leads saperated by dielectric or insulated medium, to store or supply energy to or. It allowed disconnection at some junctions without altering current flows.

The total capacitance of the equivalent capacitor is by using the formula c = q / v, we can easily find the charge stored on the equivalent capacitor. The equivalent capacitance of the 100.0 µf and 400.0 µf capacitors in series is 80.00 µf. The final step is to invert the values on both sides of the formula to find the equivalent capacitance: This size of this resistance is such that the associated power loss is equal to the sum of the insulation and dielectric. Equivalent capacitance in a circuit.

(Solved) - Find the equivalent capacitance for each of the ...
(Solved) - Find the equivalent capacitance for each of the ... from files.transtutors.com
C 1 = 2f, c 2 = 3f, c 3 = 6f. Now calculate the equivalent capacitance of the circuit. Where c1 = 2.65 μf, c2 = 3.35 μf, c3 = 6.65 μf, and c4 = 7.60 μf. The total capacitance of the equivalent capacitor is by using the formula c = q / v, we can easily find the charge stored on the equivalent capacitor. The capacitance of circuit formula is defined as the equivalent capacitance of all the capacitors connected in the relaxation circuit of edm to produce spark is calculated using capacitance = ((0.03/ frequency of cutting)^2)/ inductance.to calculate capacitance of circuit, you need frequency of cutting (f cut) and inductance (l).with our tool, you need to enter the respective value for. R 1 = 20 ω , c 1 = 50 μ f , c 2 = 40 μ f , r 2 = 80 ω the frequency of the signal f = 0.5 k h z. To find the equivalent total capacitance cp, we first note that the voltage across each capacitor is v, the same as that of the source, since they are connected directly to it through a conductor. Z ≈ 14.81 ∠ − π / 2.

This physics video tutorial contains a few examples and practice problems that show you how to calculate the equivalent capacitance when multiple capacitors.

Z2= r2+ xc2 find the current from v = iz. Then the total capacitance, c t is 2+3+6 = 11 f. Equivalent capacitance, often abbreviated as c eq in electrical engineering, is a measure of whole combined electric charge stored in 2 or more capacitors connected in series or parallel. Determine the equivalent capacitance for each of the circuits of fig. To find the equivalent capacitance c p of the parallel network, we note that the total charge q stored by the network is the sum of all the individual charges: The capacitance of circuit formula is defined as the equivalent capacitance of all the capacitors connected in the relaxation circuit of edm to produce spark is calculated using capacitance = ((0.03/ frequency of cutting)^2)/ inductance.to calculate capacitance of circuit, you need frequency of cutting (f cut) and inductance (l).with our tool, you need to enter the respective value for. Z 1 = r 1. Find the impedance of the circuit: Equivalent capacitance in a circuit. The total capacitance of the equivalent capacitor is by using the formula c = q / v, we can easily find the charge stored on the equivalent capacitor. Equivalent capacitance in a circuit. Then to summarise, the total or equivalent capacitance, ct of a circuit containing capacitors in series is the reciprocal of the sum of the reciprocals of all of the individual capacitance's added together. • determine the charge and voltage across.

This is given by the equation c t =c 1 +c 2 +c 3. Equivalent capacitance, often abbreviated as c eq in electrical engineering, is a measure of whole combined electric charge stored in 2 or more capacitors connected in series or parallel. A capacitor is a electrical device that stores electrical energy into the electric field, generally having two electrical leads saperated by dielectric or insulated medium, to store or supply energy to or. But for a series circuit, the reciprocal of the total capacitance is equal to the sum of the reciprocals for each of the capacitors. Find the impedance of the circuit:

CircuitEngine
CircuitEngine from www.freecircuitsolver.com
Find the impedance of the circuit: Fundamentals of electric circuits (3rd edition) edit edition solutions for chapter 6 problem 17p: When capacitors are connected in parallel, the equivalent capacitance is given by Consider the capacitance values of the two capacitors c1 =0.2uf and c2 =0.3uf which are shown in above figure 4. This is the charge on the capacitor, since one of the terminals of the battery is connected directly to one of the plates of this capacitor. The final step is to invert the values on both sides of the formula to find the equivalent capacitance: How to calculate the equivalent resistance using wye delta ? Their capacitances are 100 pf, 10.0 nf, and 1.00 µf.

The sum of all the capacitance value in a parallel circuit equals to the total capacitance in the circuit.

The equivalent capacitance of the and capacitors connected in parallel is. Then the equivalent capacitance is the same. As you can see, we found the equivalent capacitance of the system as c1+c2+c3 now we will see the capacitors in series; The total capacitance of the equivalent capacitor is by using the formula c = q / v, we can easily find the charge stored on the equivalent capacitor. In theoretical terms your calculation is correct for an idealised battery (constant voltage throughout discharge, defined mah capacity) and an idealised capacitor. Consider the capacitance values of the two capacitors c1 =0.2uf and c2 =0.3uf which are shown in above figure 4. To find the equivalent total capacitance cp, we first note that the voltage across each capacitor is v, the same as that of the source, since they are connected directly to it through a conductor. For easy calculation i will just take the potential difference across the circuit to be 1 v; How to calculate the equivalent resistance using wye delta ? Determine the equivalent capacitance for each of the circuits of fig. Both losses can be accounted for by the following equivalent circuit diagram for a real capacitor. A parallel circuit has three capacitors of value: C eq = 80.00 µf.

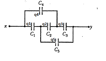
A capacitive circuit is shown tp calculate the equivalent capacitance how to find equivalent capacitance. R 1 = 20 ω , c 1 = 50 μ f , c 2 = 40 μ f , r 2 = 80 ω the frequency of the signal f = 0.5 k h z.